
咨詢熱線0755-26993877
數字電位器中使用的IC表示為一種集成電路,專門用于從其他數字設備讀取數據或向其他數字設備發送數據。在電位器電路中起著分壓器的作用。

研究數字電位器的工作原理。因為它在電路中只有一個功能,就是根據給定的條件控制電流或電壓,所以結構非常簡單。電子電位器模塊包括一系列電阻、存儲單元和控制及接口單元。 數字電位器的工作原理: 1.串聯電阻...

數字電位器并不是普遍創造或制造的。數字電位器的設計通常取決于所安裝的電位器類型。以下是您應該了解的數字電位器IC的主要類型:

無刷直流電機的主要優勢在于其結構特點。電子換向提供改進的電流切換。它會增加扭矩,在很寬的范圍內進行有效的速度控制,從而提高電機的性能。

定義:(1)以同步速度運行的交流電機稱為同步電機。(2)以低于同步速度的速度運行的交流電機類型稱為異步伺服電機。工作原理:(1)同步電機的工作原理是基于定子和轉子磁場之間的磁互鎖原理。(2)異步伺服電...

速度傳感器也稱為車速傳感器(VSS)、輪速傳感器或變速箱速度傳感器,這是構成車輛變速箱系統一部分的關鍵電子元件。它的主要功能是通過測量車輪、鏈輪和車軸的轉動來確定車輛的巡航速度。然后它將此信息中繼到車...

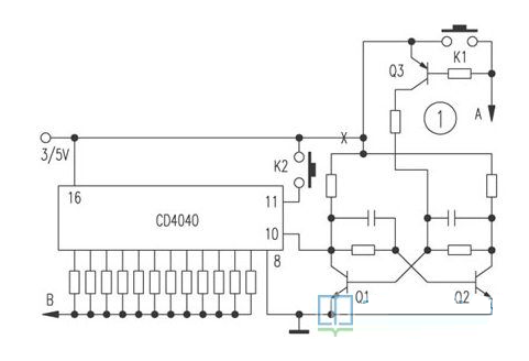
電位器可以用來控制電機的速度,讓來看看一些電路配置。使用電位器控制速度有兩種典型方法;單獨使用電位器,以及將電位器與Arduino一起使用。

電位器是一種三端子電氣和電子元件,它能夠通過旋轉或滑動常數來改變其電阻。電位計可用于兩種配置,其中它可以改變電壓或改變電阻。那么,能不能用電位器來控制電機轉速呢?

無刷直流電機具有更輕的結構和更好的旋轉速度,因為它們的旋轉直徑更小。反過來,外轉子電動機具有更高的扭矩,因為臂更長并且施加到轉子的電動勢更大。

光傳感器的精度可能會有所不同,具體取決于具體型號和應用。然而,大多數現代傳感器旨在提供高度準確的測量,通常具有亞毫秒級的響應時間。在某些情況下,您可以自己安裝光傳感器,而在其他情況下,您可能需要專業幫...
