
咨詢熱線0755-26993877
雖然無刷電機可以使用很長時間(長達數萬小時),但操作失誤可能會導致使用壽命縮短。無刷電機在短時間內出現故障的原因有很多。無刷電機早期失效最常見的原因是水或灰塵污染,會導致腐蝕,最終導致軸承失效。

激光傳感器是一種利用激光測量距離、探測物體和監控運動的設備。可用于測距、測速、碰撞預警、環境監測等應用。激光傳感器用于從工業自動化到醫學成像的各個領域。本文將討論不同類型的激光傳感器及其特點、優勢和應...

伺服電機是機電能量轉換裝置。換句話說,伺服電機是一種旋轉致動器或線性致動器,用于精確控制線性或角度位置、速度和加速度。伺服電機由電機和用于位置反饋的傳感器組成。

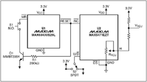
數字電位器是數字控制的可變電阻器件。每個電位計包含一個帶滑動觸點的固定電阻器。它在由載入SPI兼容串行輸入寄存器的數字代碼確定的點提取固定電阻值,如10kΩ、50kΩ或100kΩ。使用8位寄存器,將有...

光學編碼器將安裝在機器的電機軸上。然后它將使用來自LED燈和光電傳感器的信息來產生電壓。然后,該電壓將決定是否將信號傳輸到電機控制系統。然后電壓將決定方波信號的外觀,這將幫助機械完成其功能。

直流無刷電機控制器通過使用傳感器(例如,霍爾效應傳感器)或無傳感器檢測轉子的位置。傳感器測量轉子的位置并發送該數據。控制器接收信息并使晶體管能夠切換電流并在正確的時間為所需的定子繞組通電。

電位器是許多模擬和數字電路的重要組成部分。通過改變電壓電平,這些器件可以通過模數轉換器向微控制器指示用戶輸入。它們也可以用于在音頻或其他應用中更直接地控制電壓,或者作為一種變體,它們被稱為變阻器,其中...

光子集成電路(PIC)是一種IC,它使用光作為芯片不同部分之間的主要通信方式。PIC將光子學和電子學相結合,以實現全新類型的系統,例如光通信、成像、傳感和高速計算。PIC與其他IC類似,因為它們具有不...

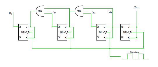
異步計數器也稱為串行計數器,因為構成計數器的觸發器是串聯連接的,輸入時鐘脈沖提供給連接中的第一個觸發器。第一個觸發器的輸出充當正向下一個相鄰觸發器的輸入。以這種方式,時鐘輸入通過計數器波動。因此,這些...

同步伺服電機和異步伺服電機傳輸都是串行數據傳輸技術的類型,其中數據基于用于同步伺服電機的時鐘脈沖在發送方和接收方之間傳輸。閱讀本文以了解有關同步伺服電機和異步伺服電機傳輸的更多信息以及它們之間的區別。
