
咨詢熱線0755-26993877
截止閥有籠式引導、頂部引導、分體式、頂部和底部引導的閥體類型和旋塞引導配置。這些閥門通常用于工廠管道中,用于調節流量或壓力,并在需要時完全切斷流量。

單向閥和閘閥是灌溉和防回流設備中常見的兩種組件。在比較閥門類型時,有理由懷疑單向閥和閘閥哪個更好。簡而言之,這兩種閥門在客觀上都沒有優越性。相反,它們各自執行特定的功能,提供獨特的管道系統優勢。

微型氣體單向閥是一種精細的機械裝置,它的尺寸小到肉眼難以觀察,但卻擁有著驚人的功能。這種單向閥能夠在氣體流動的方向上提供精確的控制,從而實現氣體單向流動的目的。它的運作原理很簡單,當氣體從一側進入時,...

低壓氣體單向閥的工作原理主要是依靠內部結構來實現的。它主要由閥座、閥瓣和彈簧等組成。當氣體向一個方向流動時,閥瓣在氣體壓力的作用下打開,氣體通過閥座和閥瓣之間的縫隙流過;而當氣體流向相反方向時,閥瓣在...

先導式不銹鋼氣體單向閥是一種較為復雜的閥門,它主要由主閥和電磁先導閥兩部分組成。主閥包含進出口、閥座和閥瓣等部件,而電磁先導閥則用于控制主閥的開關。

在氣體輸送系統中,單向閥的作用至關重要。它能防止氣體在管道中反向流動,保證氣體只能朝著一個方向流動。在實際應用中,單向閥廣泛應用于各種氣體輸送系統,如壓縮空氣、天然氣和其它工業氣體。

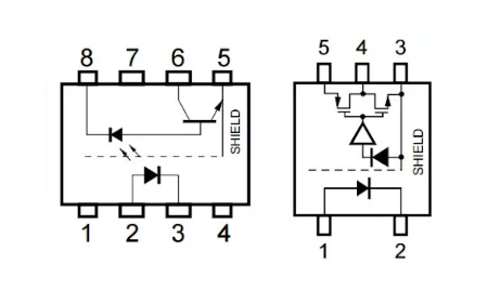
國產光耦繼電器和進口光耦繼電器的區別主要表現在以下幾個方面:(1)生產技術方面的區別:雖然國產光耦繼電器和進口光耦繼電器都采用了相似的生產技術,但在某些細節方面,如制造工藝、材料選擇等方面仍存在一定的...

光耦直接驅動繼電器是一種將光信號轉換為電信號,實現對繼電器進行直接驅動的裝置。其主要作用如下

在現代化的工業生產和質量控制中,光耦控制繼電器正發揮著越來越重要的作用。這種獨特的控制元件基于光耦合技術,具有優秀的電氣隔離性能和高速響應能力,因此在許多關鍵場合中展現出顯著的優勢。

光耦控制繼電器電路關鍵在于利用光耦合器(光耦)對繼電器電路進行控制,從而實現高電壓、低電流電路與低電壓、高電流電路之間的隔離,保護電路安全。本文將詳細介紹光耦控制繼電器電路的原理及應用。
