
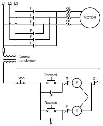
三相電機可以通過改變任意兩個定子引線來反轉。正反轉控制還采用互鎖來防止正向和反向線圈同時通電。
典型的正反向控制如圖所示。

從F和R線圈畫成單線的虛線表示機械聯鎖。機械聯鎖用于防止正向和反向接觸器同時通電。當一個接觸器通電時,即使線圈應該通電,一種機制也會阻止另一個接觸器閉合其觸點。電氣聯鎖是通過使用與F和R線圈串聯的兩個常閉輔助觸點來實現的。
注意常閉F觸點與R接觸器線圈串聯,常閉R觸點與F接觸器線圈串聯。當按下前進按鈕時,通過常閉R觸點到F線圈完成一個電路。當F線圈通電時,所有F觸點改變位置。

三個F負載觸點閉合并將電機連接到電源線,使電機正向運行。當F按鈕松開時,與前進按鈕并聯的常開F輔助觸點閉合以維持電路。與R線圈串聯的常閉F觸點打開。如果要按下反向按鈕,這將防止R線圈通電。
在電機可以反向運行之前,必須按下停止按鈕以斷開與F線圈的電路。當F線圈斷電時,所有F觸點返回其正常位置。當按下反向按鈕時,通過現在閉合的F輔助觸點到R線圈完成一個電路。當R線圈通電時,所有R觸點都會改變位置。三個R負載觸點閉合并將電機連接到電源線。請注意,連接到電機的L1和L3的連接已顛倒。這會導致電機反向運行。另請注意,與F線圈串聯的常閉R輔助觸點現在打開,如果應按下前進按鈕,則防止與F線圈建立電路。

