步進電機驅動器是一種用于驅動步進電機的電子設備。它本身通常什么都不做,必須與控制器一起使用。
步進電機驅動器如何工作?
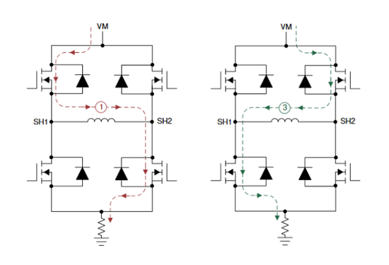
步進電機驅動器的基本任務是根據輸入數據生成適當的信號以移動電機軸。最常見的驅動步進電機的方法我們稱之為H橋。H橋電路由4個FET晶體管組成,漏極和源極觸點之間的電阻非常低。
處于活動狀態時。一般來說,我們至少需要兩個H橋,因為電機只有最少的兩個線圈。通過FET柵極上的正確信號組合,我們可以控制通過電機線圈的電流方向。兩個繞組的交替勵磁導致電機軸偏移。

步進電機通常在5V、6V或12V等電壓下工作,并在4個繞組中消耗1安培以上的電流。大多數微控制器輸出為5V或3.3V,可以提供或吸收2030毫安的電流。驅動電路(如IC L293D或ULN2007)將微控制器的弱輸出轉換為可驅動步進電機線圈的強源。
請注意,更大的步進電機可能需要更大的驅動電路。上述IC適用于商店中為學生愛好項目提供的小型步進器。您還可以獲得更智能的驅動器,它將從微控制器接收適當的命令并將其轉換為一系列步進信號,以將步進電機定位在特定角度。

