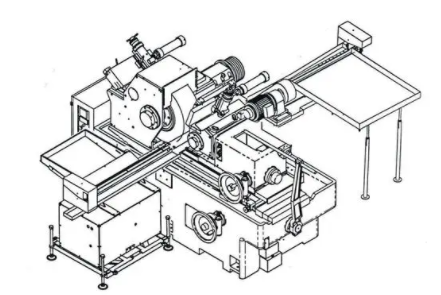
無心磨床由減振底座、PLC接口、砂輪、調節輪、工作臺、液壓修整單元組成。在深入了解機器的具體設計之前,讓我們先了解一下工件的布置,因為這可以被認為是區分無心形式與其他有中心形式的最重要特征。兩個砂輪,包括砂輪和調節輪,相互平行設置。在這兩個輪子之間的距離內,底部有一個工作臺,可以讓工件停在兩個輪子之間。根據操作原理,工件可以保持靜止或通過間隙進給,這將在后面更詳細地討論。

1、減振底座
在磨削過程中,當調節輪將工件推向砂輪時,工作現場就會產生振動。本機底座具備減振能力,有助于減少因振動而產生的應力。
2、PLC接口
PLC代表可編程邏輯控制,PLC接口允許對過程進行數字控制和調整。此外,這個界面上還有一個數字屏幕和幾個開關,可以讓操作者進行一些手動調整。
3、砂輪
砂輪是無心磨床上的砂輪之一。它被設置為靜止狀態,并在調節輪將工件推向其上時承受施加的應力。
4、調節輪
調節輪是活動砂輪,它通過將工件推向砂輪來執行主要的磨削功能。當磨料與工件接觸時,磨料的粗糙度會導致工件上的毛刺被去除。
5、工作臺
工作臺配合砂輪和調節輪對上面的工件進行三點支撐,是常規形式所沒有的附加設備。
6、液壓修整裝置
液壓修整單元分別設置在砂輪和調節輪旁邊。這些修整單元用于磨削兩個砂輪,從而保持砂輪的最佳功能和研磨工件的最高質量。

