電機尺寸
為您的設備選擇合適的電機尺寸和選型是確保設備性能、可靠性和成本的關鍵。除了以下有關電機正確尺寸的信息之外。
選擇程序
第一步是確定設備的驅動機制。一些例子是直接旋轉、滾珠絲杠、皮帶和滑輪或齒條和小齒輪。除了驅動機構的類型外,還必須確定載荷計算所需的尺寸、質量和摩擦系數:
1.負載的大小和質量(或密度)
2、各組分的尺寸和質量(或密度)
3、各運動部件滑動面的摩擦系數
接下來,您需要確定設備所需的規格:
1.運行速度和運行時間
2.定位距離和定位時間
3.分辨率
4.停止精度
5.持倉
6.電源及電壓
7.運行環境
8.具體功能和要求,例如;開環、閉環、可編程、反饋、IP等級、機構批準等。
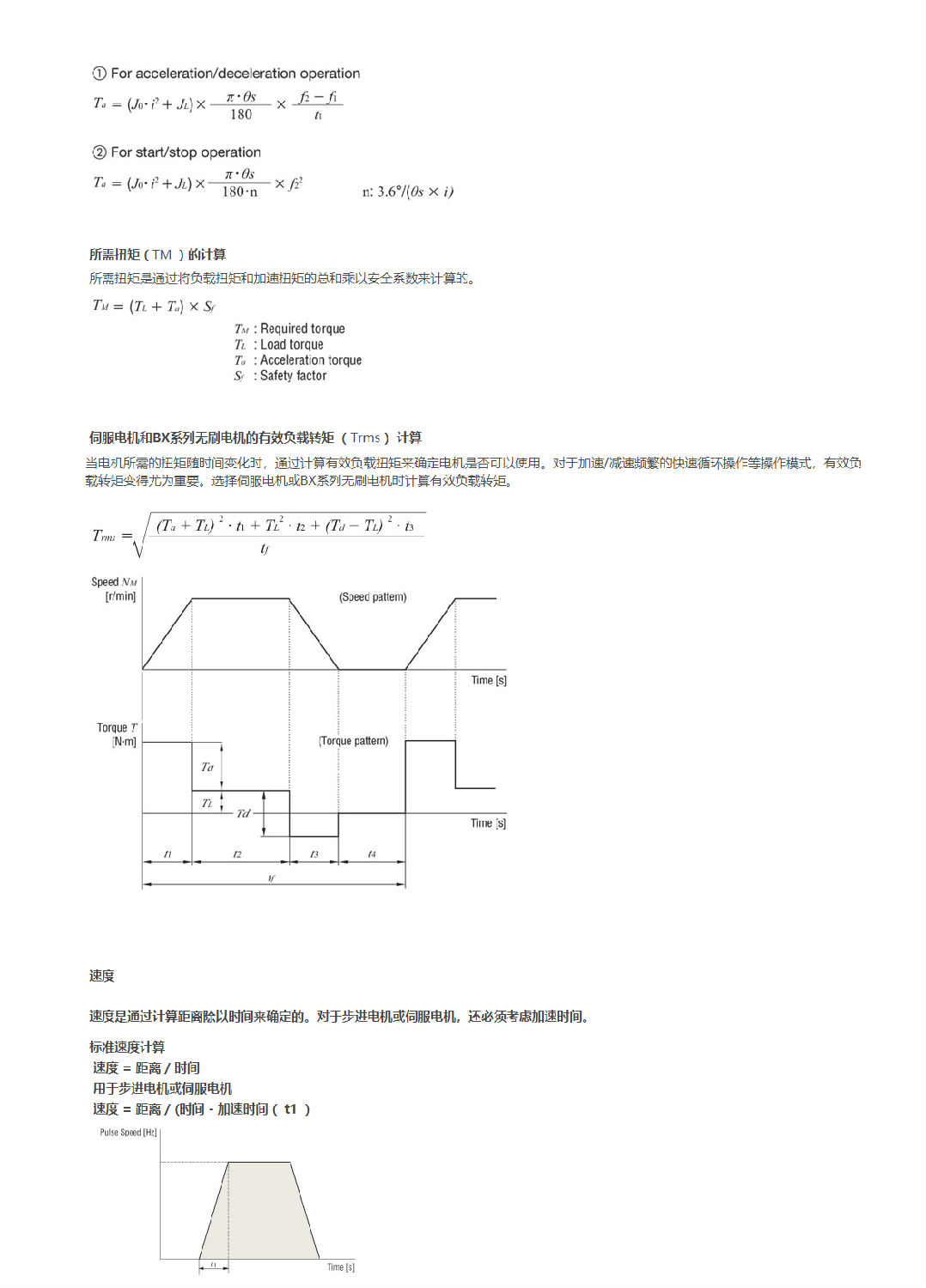
為了確定您需要的電機性能,需要計算三個因素:轉動慣量、扭矩和速度。(關于每個的計算,請參考下一節。)在計算出電機的慣量、轉矩和速度后,您將根據所需的規格選擇電機類型。東方電機提供種類繁多的步進電機、伺服電機、交流電機和無刷電機,以滿足您設備的特定需求。最后,在選擇電機類型后,您將通過確認所選電機(和齒輪箱,如果適用)的規格滿足所有要求,如機械強度、加速時間和加速扭矩來最終確定電機。
電機尺寸計算
確定電機尺寸時需要計算三個因素;轉動慣量、扭矩和速度。
轉動慣量
轉動慣量是衡量物體抵抗其旋轉速度變化的能力。
當物體靜止時,轉動慣量為0。
當你試圖讓它移動時,就意味著你想要將物體的速度從0變為任意,會有慣性矩的效果。





