
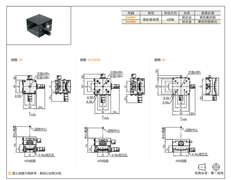
DLKO1/DLK02及DLK56手動位移滑臺專為高精度直線位移設計。DLKO1/DLK02采用燕尾槽結構搭配蝸輪驅動,剛性強、承載能力高,適用于重載精密定位;DLK56采用交叉滾柱導軌與千分尺進給,運動平穩、分辨率達微米級,適合超精密調節場景。兩款產品均適用于自動化設備、檢測儀器及精密加工領域。

一、產品特點
·DLKO1/DLK02:燕尾槽導向,蝸輪驅動,高剛性,耐重載
·DLK56:交叉滾柱導軌,千分尺微調,高精度,無間隙運動
·通用性:模塊化設計,兼容多種安裝需求,適用于實驗室與工業環境



二、性能對比


