
DLE01(單剪刀型)和DLE11(雙剪刀型)快速升降位移臺采用剪刀式結構,實現快速、穩定的垂直升降運動。單剪刀型(DLE01)結構緊湊,適用于輕負載精密調節;雙剪刀型(DLE11)剛性更強,負載能力更高,適合重型應用。兩種型號均支持手動或電機驅動,升降平穩,重復定位精度高,廣泛應用于光學、自動化、檢測設備及實驗室精密定位。

1、產品特點:
(1)快速升降:剪刀式結構實現高效垂直位移,調節速度優于絲杠驅動型。
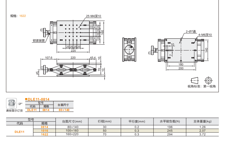
(2)高穩定性:雙剪刀(DLE11)抗偏載能力更強,負載可達單剪刀型(DLE01)的2倍。
(3)精密定位:可選配千分尺或伺服電機,重復定位精度±0.02mm。
(4)緊湊設計:低剖面結構節省空間,便于集成到多軸系統或自動化設備。


2、性能對比:
(1)單剪刀(DLE01):輕量化設計,適合中小負載(如光學鏡片、傳感器調整),升降行程較小。
(2)雙剪刀(DLE11):增強剛性,適用于大負載(如工業機械臂、重型檢測平臺),抗振性更優,但體積略大。
(3)對比絲杠升降臺:速度更快,但絕對精度略低;對比氣動升降臺,定位更精準,無需氣源。



