
集成安裝的壓力調節閥LRB,LRBS
?。?)用于安裝帶壓縮空氣氣源的調節器電池,用于獨立調節壓力范圍
?。?)直接控制的膜片調壓閥
?。?)通過鎖定旋轉手柄和插入式調整保險裝置確保設置值不變
?。?)可關閉型
?。?)未配備壓力表
?。?)規格Mini、Midi





咨詢熱線0755-26993877

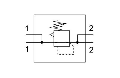
集成安裝的壓力調節閥LRB,LRBS
?。?)用于安裝帶壓縮空氣氣源的調節器電池,用于獨立調節壓力范圍
?。?)直接控制的膜片調壓閥
?。?)通過鎖定旋轉手柄和插入式調整保險裝置確保設置值不變
?。?)可關閉型
?。?)未配備壓力表
?。?)規格Mini、Midi



